服务热线热线:

400-809-1101

news

行业新闻

当前位置: TEC传感器 > 新闻中心 > 行业新闻

防爆磁致伸缩位移传感器都是什么配置?

发布时间:2026-04-03点击次数:

在液压油缸位移监测领域,尤其是面对石油化工、钢铁冶金等易燃易爆的严苛工况时,工程师们往往面临一个难题:如何在保证绝对安全的前提下,实现微米级的高精度线性测量?而一款真正能深入危险区作业的防爆磁致伸缩位移传感器,究竟需要具备哪些硬核配置”?

作为国家专精特新小巨人企业,浙达精益深耕传感领域三十余年,拥有成熟的防爆传感技术。今天,我们以FBGB防爆磁致伸缩位移传感器(以下简称“FBGB防爆传感器”)为例,从核心参数到安装设计,拆解一套完整的防爆级位移监测方案应该具备的配置要素。

 防爆磁致伸缩位移传感器都是什么配置?(图1)

1FBGB防爆磁致伸缩位移传感器

 一、行程配置:从25mm5500mm,按需定制

油缸有长短,行程可定制FBGB防爆传感器的有效行程覆盖25mm~5500mm,支持根据客户实际油缸长度灵活定制。无论是小型油缸,还是大型液压支架,都能找到精确匹配的规格,避免了安装冗余或量程不足问题。

 二、接口配置:多种接口可选

控制系统接口决定了传感器的“沟通能力”。FBGB提供多种输出方式,如模拟量、SSICANopen等。

模拟量(电流/电压):兼容性强,适合老旧设备改造或对通讯速率要求不高的场景;

SSI:高速同步串行接口,抗干扰能力强,适用于高精度闭环控制;

CANopen:总线式通讯,可多节点组网,适合分布式控制系统。

工程师可根据PLC或控制器类型灵活选择,实现即插即用。

 

三、精度配置:最小1um分辨力

结合不同的输出接口,FBGB位移传感器提供不同精度,该系列传感器分辨力最高可达1um,能够精准捕捉活塞杆的微小位移,为系统精准控制提供可靠数据支撑。

四、安全防护:防爆 + 防护双重保障

FBGB防爆传感器通过了ExdBT6隔爆认证,其中:

B表示适用于常见乙烯、丙烷等气体环境;

T6是温度组别的最高等级之一,设备表面温度不超过85℃,在高温易燃场景下安全冗余更高。

这一配置确保传感器在爆炸性气体环境中,即使内部产生火花,外壳也能有效隔爆,不引燃外部危险气体。

同时,FBGB防爆传感器兼具IP67高防护等级:防尘、防水、防油,可在潮湿、多粉尘、油污环境中长期稳定工作,适配复杂工业现场。

五、材质配置:全不锈钢结构,耐腐蚀耐高压

油缸内部是高压、高温、高腐蚀的“三高”环境。FBGB防爆传感器的测杆采用304316L不锈钢,电子仓为304不锈钢,坚固耐用。其中,316L材质尤其适用于含氯离子或酸碱介质的易腐蚀环境,能有效防止测杆锈蚀卡滞,保障长期浸泡下的可靠性。

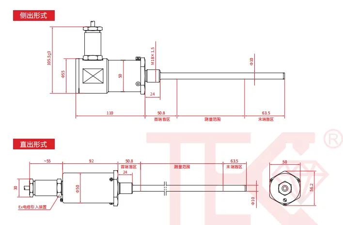
六、安装配置:油缸内置,直出与侧出可选

FBGB防爆液位计采用油缸内置设计,直接嵌入活塞杆内。针对不同油缸结构,提供直出和侧出两种出线方式,以下为该产品安装示意图:

防爆磁致伸缩位移传感器都是什么配置?(图2)

2FBGB防爆传感器安装示意图

 

总结下来,FBGB防爆位移传感器的核心参数如下:

参数

数据

有效量程

25mm~5500mm,根据客户需要定制


模拟量、SSICANopen

分辨力

模拟量:16D/A或满量程的0.0015%(最小1μm

数字量:0.5/1 / 2 / 5 / 10 / 20 / 40 / 50 / 100 μm

防爆认证

ExdⅡBT6

防护等级

IP67

工作温度

-40℃ ~ +85℃

材质选择

电子仓:304 不锈钢

测杆:304 /316L不锈钢

安装选择

直出/侧出

一套完整的防爆磁致伸缩位移传感器配置,绝非简单的“防爆外壳+位移检测”。而是从行程定制、超高精度、防爆认证、材质耐腐等每一个环节都做到精准落地。

浙达精益FBGB防爆传感器,正是这样一款将各项配置扎实落地的成熟方案,为石油化工、钢铁冶金等燃易爆环境中的油缸位移测量提供可靠之选!

上一篇:危险环境液位监测优选 ——TEC-Y系列防爆液位计

返回列表

下一篇:从毫厘之微到2.3公里:超长量程传感器如何打破中国工业量程极